Hoekconsole voor montage rail

Afmetingen

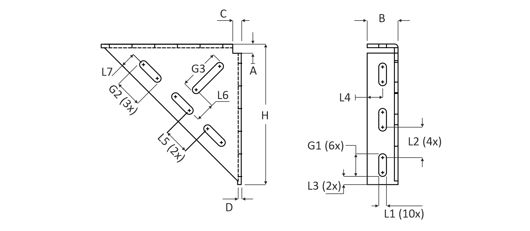
34 x 155 x 4

Materiaal

Elektrolytisch verzinkt

Filters:
Artikel Nr. B x H x D Materiaal Behandeling vpe x aantal = totaal
Artikel Nr.574.20.0155 34 x 155 x 4 Staal ELVZ
35 x= 35

Buy Now

35 x= 35

Buy Now

 

Specificaties : hoekconsole ter versteviging en het bevestigen montagerail en pijpbeugels.
Toepassing : 90° hoekstuk/draag constructie voor zeer hoge stabiliteit en veiligheid.
Montage : 90° verbinding tussen montagerails H1 en H2 of direct op de muur.
Materiaal : staal elektrolytisch verzinkt.